

上海統將實業有限公司的小編今天請專業的工程師和大家分享下昆西空壓機控制器的一些操作技巧。1、正常運行時按下停機按鈕,在.. [查看詳情]

上海統將實業有限公司的小編今天和大家再一次分享空壓機相關故障現象以及處理策略。另外經上海統將實業有限公司的專業工程師.. [查看詳情]

上海統將實業有限公司的小編,今天整理了專業的工程師介紹的昆西空壓機的開機時應該如何設置參數,以供參考。1)機組在開機調.. [查看詳情]

2019年已拉開大幕,新的一年恭祝各位新年快樂,大吉大利。今天,上海統將實業有限公司的小編就請專業的工程師和大家聊一聊昆.. [查看詳情]

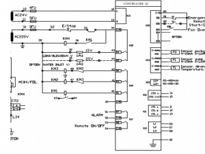
今天,上海統將實業有限公司的小編總結了下昆西空壓機控制器功能及技術參數的相關資料,在此和廣大關注的空壓機的朋友們做一.. [查看詳情]
上海統將實業有限公司的小編今天請公司的專業工程師和大家分享下昆西空壓機的一般操作運作,以此更清晰昆西空壓機。昆西空壓.. [查看詳情]

上海統將實業有限公司的小編今天請上海統將的專業工程師和大家介紹下昆西空壓機擺放的合理空間大致是什么范圍,以及在管道方.. [查看詳情]

壓縮空氣和電皆為危險品。在對壓縮機進行任何維修之前,一定要切斷電源并把壓縮機中的壓力全部放空。在操作或維修空壓機時一定.. [查看詳情]

上海統將實業有限公司的專業工程師今天和大家聊一聊昆西空壓機首次開機后需檢查的運行狀態,具體需要檢查的工作有哪些。特此.. [查看詳情]

上海統將實業有限公司的專業工程師今天和大家聊一聊昆西空壓機開機送電前需做的檢查工作具體有哪些。這些細節需要特別注意,.. [查看詳情]

上海統將實業有限公司的專業工程師今天和大家聊聊昆西空壓機的進氣閥工作原理,與對螺桿昆西空壓機感興趣的各位同仁分享交流.. [查看詳情]

故障現象(機組信息):控制器閃屏。上海統將實業有限公司的專業工程師這是第二次與大家分享下空壓機相關的一些故障現象的排查.. [查看詳情]

上海統將實業有限公司的專業工程師會在近幾次的文章中與大家分享下空壓機相關的一些故障現象的排查及處理,旨在與對螺桿空壓.. [查看詳情]

螺桿昆西空壓機運行到一定的時間都需要進行基本的維修保養。上海統將實業有限公司的小編特匯總了一個空壓機維護保養周期簡介.. [查看詳情]

上海統將實業有限公司的專業工程師提醒各位同仁在進行任何機器維護保養前,必須切斷主電源及空壓機的壓縮空氣連接,確保空壓機.. [查看詳情]

昆西空壓機的控制器因為機型的不同,控制器也會稍有不同,不過大多數控制器都是八九不離十。今天,上海統將實業有限公司的小.. [查看詳情]

上海統將實業有限公司的專業工程師和大家聊一聊空壓機機房一些小常識,不要小看空壓機機房。空壓機能否正常運行,能否高效的.. [查看詳情]

一臺性能良好的昆西空壓機離不開精心的維護和保養。空壓機每一個細節的保養都力求到位后,機器一定是能超乎想象的完美運行。.. [查看詳情]

我們總在聽說干式螺桿和噴油螺桿,字面意思看起來就覺得是干濕區別,但其實很多時候我們真的搞不清楚它們的本質區別是什么,.. [查看詳情]

昆西空壓機關機切莫懶,后患無窮太不該在操作昆西螺桿空壓機之前,必須確切了解昆西螺桿空壓機及其相關說明。如果昆西螺桿空.. [查看詳情]